- 商品描述
- 商品询价热度
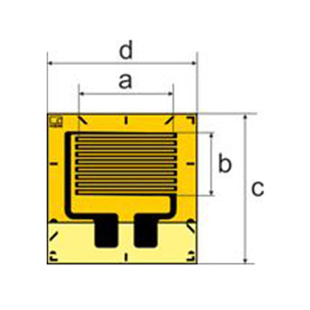
HBM RY1 带引线的方形应变片

HBM RY1 方形应变片各型号参数
型号 | 额定电阻 | 尺寸 [mm/inch] | 接线端子(非强制) | |||||
测量栅丝 | 基底 | |||||||
[Ω] | a1 | a2 | b | c | d | |||
1-RY1x-3/120# | 120 | 0.8 | 3 | 0.8 0.031 | 7 0.276 | 7 0.276 | LS7 | 1 |
| 1-RY1x-6/120 | 120 | 2 | 6 | 1.4 0.055 | 11 0.433 | 11 0.433 | LS5 | 1,3 |
1-RY1x-10/120 | 120 | 2.9 | 10 | 2.7 0.106 | 15.4 0.606 | 15.4 0.606 | LS4 | 1 |
| 钢 (1) | 铝 (3) | 奥氏体钢 (5) | 石英玻璃 / 复合材料 (6) | 钛 (7) | 塑料 (8) | 钼 (9) | ||||||||


线上咨询




